Udelátko
Moderátor: Moderátoři
Re: Udelátko
Neviem, ci to tu niekto vobec cita. Mam tu rozobraty riadiaci blok ekonomizeru. Funguje tak, ze nad cca 1600ot vypne privod do cievky a zapne ho az pod 1200ot. Cize hladam presne to iste, akurat chcem posunut hodnoty na cca 4000ot. Je tu niekto kto tomu rozumie? Myslim, ze pre skuseneho elektrotechnika by to problem nemal byt.
Lada 2171 Priora 1,6 MPi (2013), Lada 2105 v regenerácii (1985), Lada 21044 1,9 MPi (1998), Škoda Felícia 1,3 SPi - 40kw (1996), 2 x Babetta 210 (1984,1988), Simson 70 ccm (1989), Zetor 4011 (1966)
Re: Udelátko
Vcera som hladal ale nasiel som len schemu ekonomizera k solexu,co je vlastne jedno,ale solexacka krabicka uz ma aj nejaky integrovany obvod. Kazdopadne vecer budem hladat
Lada 2171 Priora 1,6 MPi (2013), Lada 2105 v regenerácii (1985), Lada 21044 1,9 MPi (1998), Škoda Felícia 1,3 SPi - 40kw (1996), 2 x Babetta 210 (1984,1988), Simson 70 ccm (1989), Zetor 4011 (1966)
Re: Udelátko
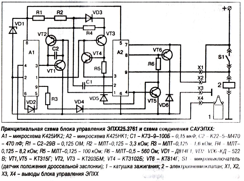
Tak predsa som čosi nasiel. A tuto je to trosku rozpisane a k tomu aj schema ovladacej krabicky pre solex. Ale zda sa, ze zaklad je cca rovnaky. http://avtolektron.ru/sxema-elektroobor ... eniya-epxx
Lada 2171 Priora 1,6 MPi (2013), Lada 2105 v regenerácii (1985), Lada 21044 1,9 MPi (1998), Škoda Felícia 1,3 SPi - 40kw (1996), 2 x Babetta 210 (1984,1988), Simson 70 ccm (1989), Zetor 4011 (1966)
Re: Udelátko
Nikto sa nechyta?
Lada 2171 Priora 1,6 MPi (2013), Lada 2105 v regenerácii (1985), Lada 21044 1,9 MPi (1998), Škoda Felícia 1,3 SPi - 40kw (1996), 2 x Babetta 210 (1984,1988), Simson 70 ccm (1989), Zetor 4011 (1966)
- MartasBrno
- Příspěvky: 4442
- Registrován: pon zář 08, 2008 13:10
- Bydliště: Brno
Re: Udelátko
Myslím, že než analyzovat stávající krabičky, kde jsou speciální obvody, je možná jednodušší navrhnout obvod takto: Na vstupu tvarovač pulzů od otáček, integrátor, který vyfiltroje střední hodnotu úměrnou otáčkám, pak komparátor s nějakou hysterezí, případně pak řízenou referenci pro kmparátor podle selápnutí plynu, jestli je odkud vzít signál od pedálu. Ale nevím nic o tom, jakou závislost má to přepínání na poloze plynu, jestli je to lineární závislost, nebo jaká. Chce to zjistit co to má dělat.
Bohužel, nemám čas, narazil jsem na to tu náhodou
Bohužel, nemám čas, narazil jsem na to tu náhodou
Re: Udelátko
Myslím, že snažiť sa to odladit v závislosti od otáčok aj polohy pedála by bolo hodne náročné, otáčky budú postačovať.
A na zvyšok sa budem tváriť, že som niečomu rozumel
A na zvyšok sa budem tváriť, že som niečomu rozumel
21043(reinkarnacia), 2105 1.3k(svagrov), 2110 1.5 16V, Niva(rozobrata), Chevy Niva 1.7i, Priora1,8+, BMW e36 328iA, Fiat Tempra 2.0i.e, 4x4
Re: Udelátko
Uz sa na tom pracuje
teda ja nie,ale niekto,kto tomu rozumie 
Lada 2171 Priora 1,6 MPi (2013), Lada 2105 v regenerácii (1985), Lada 21044 1,9 MPi (1998), Škoda Felícia 1,3 SPi - 40kw (1996), 2 x Babetta 210 (1984,1988), Simson 70 ccm (1989), Zetor 4011 (1966)
Re: Udelátko
Pokud to má nějakou spojitost s otáčkami a polohou pedálu plynu , jde spíš o závyslost na výkonu , nebo zatízení motoru .
Potom by bylo zařízení naprosto jednoduché . Jeden operační zesilovač třeba LM1458 , 3 odpory , trimr , dioda a relé . A vešlo by se to do krabičky od sirek (malých) . Cena do 100kč i při koupi všeho v obchodě .
Celé se to pak připojí na stávající snímač podtlaku v sacím potrubí , a trimrem nastaví nejvhodnější moment přepínání .
Potom by bylo zařízení naprosto jednoduché . Jeden operační zesilovač třeba LM1458 , 3 odpory , trimr , dioda a relé . A vešlo by se to do krabičky od sirek (malých) . Cena do 100kč i při koupi všeho v obchodě .
Celé se to pak připojí na stávající snímač podtlaku v sacím potrubí , a trimrem nastaví nejvhodnější moment přepínání .
VAZ 2102 r.v.74 1984-1997 "Legenda"
VAZ 21043 r.v.90 1996-White Lady - nyní v GO. VAZ 21044 r.v.96 2007-(muzeum koroze)
VAZ 2106 r.v.78 2008-a dál...
VAZ 2105 r.v.87 12/2012-Rudý dělník
Nikdy neříkejte že to nejde,protože se v zápětí objeví někdo kdo neví že to nejde a udělá to!
VAZ 21043 r.v.90 1996-White Lady - nyní v GO. VAZ 21044 r.v.96 2007-(muzeum koroze)
VAZ 2106 r.v.78 2008-a dál...
VAZ 2105 r.v.87 12/2012-Rudý dělník
Nikdy neříkejte že to nejde,protože se v zápětí objeví někdo kdo neví že to nejde a udělá to!
Re: Udelátko
Uz to robi Roman
Ale keby si to vedel spravit, tak mozes, zaplatim. Poznam cloveka, ktoremu sa to zide 
Lada 2171 Priora 1,6 MPi (2013), Lada 2105 v regenerácii (1985), Lada 21044 1,9 MPi (1998), Škoda Felícia 1,3 SPi - 40kw (1996), 2 x Babetta 210 (1984,1988), Simson 70 ccm (1989), Zetor 4011 (1966)
Re: Udelátko
Som ten človek ja?
Dúfam, že áno 
21043(reinkarnacia), 2105 1.3k(svagrov), 2110 1.5 16V, Niva(rozobrata), Chevy Niva 1.7i, Priora1,8+, BMW e36 328iA, Fiat Tempra 2.0i.e, 4x4
Re: Udelátko
Nepoznam tu nikoho ineho, kto by na predohrabej Lade nieco tunil na motore (vymenu sviecok, vzduchoveho filtra a oleja nepovazujem za tuning) 
Lada 2171 Priora 1,6 MPi (2013), Lada 2105 v regenerácii (1985), Lada 21044 1,9 MPi (1998), Škoda Felícia 1,3 SPi - 40kw (1996), 2 x Babetta 210 (1984,1988), Simson 70 ccm (1989), Zetor 4011 (1966)
