ty chceš aby ťa vyhodil von oknom za jazdy a ešte vo vzduchu do rici nakopal?Majo píše:oprasim staru lyziarsku kuklu a niekto ti ukradne batoh
Coryho 2105
Moderátor: Moderátoři
Re: Coryho 2105
Minule mi povedala jedna milá pani,
Maťo mne sa zdá že ty si ani, ani, ani.
Musíš vedieť kde máš miesto, musíš niekam
patriť,
nemôžeš sa takto motať a tárať dve na tri.
Maťo mne sa zdá že ty si ani, ani, ani.
Musíš vedieť kde máš miesto, musíš niekam
patriť,
nemôžeš sa takto motať a tárať dve na tri.
Re: Coryho 2105
Ty tu nerob mjr. Halušku, ale pomož mi hladat schemu vstrekovania na nivu euro3 
Lada 2171 Priora 1,6 MPi (2013), Lada 2105 v regenerácii (1985), Lada 21044 1,9 MPi (1998), Škoda Felícia 1,3 SPi - 40kw (1996), 2 x Babetta 210 (1984,1988), Simson 70 ccm (1989), Zetor 4011 (1966)
Re: Coryho 2105
Minule mi povedala jedna milá pani,
Maťo mne sa zdá že ty si ani, ani, ani.
Musíš vedieť kde máš miesto, musíš niekam
patriť,
nemôžeš sa takto motať a tárať dve na tri.
Maťo mne sa zdá že ty si ani, ani, ani.
Musíš vedieť kde máš miesto, musíš niekam
patriť,
nemôžeš sa takto motať a tárať dve na tri.
-
Petr HC
Re: Coryho 2105
Poslední model co mám, ale je-li to E3 nejsem si jistý, poněvadž je tam jen jedna Lambda sonda.
Re: Coryho 2105
No, obavam sa ze tato schemu bude na dlhe luštenie po večeroch
ale ak tam niekto vidí čidlo fáz, tak by to malo byť E3. Aspon podla katalogu ND to tak je.
EDIT: Tak prave som si presiel všetky PINy konektrora a vyzera to na E2 (bez čidla vačky).
EDIT: Tak prave som si presiel všetky PINy konektrora a vyzera to na E2 (bez čidla vačky).
Lada 2171 Priora 1,6 MPi (2013), Lada 2105 v regenerácii (1985), Lada 21044 1,9 MPi (1998), Škoda Felícia 1,3 SPi - 40kw (1996), 2 x Babetta 210 (1984,1988), Simson 70 ccm (1989), Zetor 4011 (1966)
-
Petr HC
Re: Coryho 2105
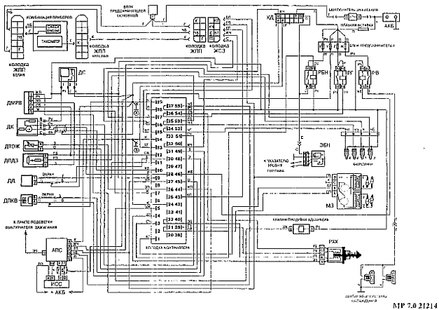
Tak bohužel čidlo fáze tam není. Dříve jsemto moc neprohlížel, ale vezmu to odshora .Označení čidel začíná ruským D.Takže : nahoře trochu stranou je čidlo rychlosti , pod ním vzduchová váha, lambda ,termistor chladící kapaliny, poloha pedálu akcelerace, čidlo detonací a posledni je čidlo polohy klikovky. Pravděpodobně jde o asynchronní vstřik (současně stříkají vždy dvě trysky tedy toto je asi E2). Novější verzi nemám.
Re: Coryho 2105
Ano máš pravdu, už som si tu schému prešiel celú. Jednu takú som minule našiel (len bola farebnejšia a čitatelnejšia), tak som si spravil popisky, ktorý káblik kam ide a akej je farby. Takže čidlo fáz tam nie je.
Teraz mam celkovo dilemu, či mám kúpiť kabeláž pre E2 a osadiť tam tú moju RJ Bosch 2104 (1,5), alebo zohnať kabeláž z Nivy E3 (s čidlom fáz) a osadiť RJ 21214 (1,7), alebo nakoniec nabastliť celý systém z novej rady...
Ešte zháňam schému pre 2104 1,5 E2. Nenajde sa?
Teraz mam celkovo dilemu, či mám kúpiť kabeláž pre E2 a osadiť tam tú moju RJ Bosch 2104 (1,5), alebo zohnať kabeláž z Nivy E3 (s čidlom fáz) a osadiť RJ 21214 (1,7), alebo nakoniec nabastliť celý systém z novej rady...
Ešte zháňam schému pre 2104 1,5 E2. Nenajde sa?
Lada 2171 Priora 1,6 MPi (2013), Lada 2105 v regenerácii (1985), Lada 21044 1,9 MPi (1998), Škoda Felícia 1,3 SPi - 40kw (1996), 2 x Babetta 210 (1984,1988), Simson 70 ccm (1989), Zetor 4011 (1966)
Re: Coryho 2105
No, teoreticky by som mohol mat vstrekovanie z novej rady, ktoré plní normu E3. Lenže, podľa schémy takéto vstrekovanie obsahuje 2 lambda sondy. Predpokladám, že jedna je pred katalyzátorom a druha je za katalyzátorom. To znamená, že by som musel použiť KAT, inak by mi vyhadzovalo chybu? Alebo sa to dá nejako oklamať?
Lada 2171 Priora 1,6 MPi (2013), Lada 2105 v regenerácii (1985), Lada 21044 1,9 MPi (1998), Škoda Felícia 1,3 SPi - 40kw (1996), 2 x Babetta 210 (1984,1988), Simson 70 ccm (1989), Zetor 4011 (1966)
Re: Coryho 2105
Přesně tak jedna před a jedna za. jestli by to nějak šlo obejít netušim
2103 1.5. r.v.1977
2111 1.5 16V r.v.2001 (JMJ´s EX)
2112 1.5 16V r.v.2005 +9.12.2022
105SP - kukačka:)
2111 1.5 16V r.v.2001 (JMJ´s EX)
2112 1.5 16V r.v.2005 +9.12.2022
105SP - kukačka:)
Re: Coryho 2105
prvy blud co ma napadol: co by to robilo, ak by si tu druhu lambdu ulozil niekde na "cerstvy vzduch"? 
Re: Coryho 2105
Asi by hlasilo chybu...ale niekde Saša alebo Peter HC pisali niečo o tom, že signaly z lambdy nie su spojité, ale diskrétne, to znamená, že pri chudobnej zmesi dáva lambda napr. 800mV, pri bohatej napr. 300mV (tie hodnoty su urcite blbosť, vymyslel som si ich). Potom by sa možno dali prepojiť kontakty na konektore pomocou rezistoru (alebo inej elektroniky), aby do RJ šlo napríklad 800mV (jednoducho aby to neindikovalo bohatú zmes). Ešte neviem, či tá druhá lambda je rovnaká ako prvá, alebo je iná a pracuje na inom princípe.
Lada 2171 Priora 1,6 MPi (2013), Lada 2105 v regenerácii (1985), Lada 21044 1,9 MPi (1998), Škoda Felícia 1,3 SPi - 40kw (1996), 2 x Babetta 210 (1984,1988), Simson 70 ccm (1989), Zetor 4011 (1966)
-
Petr HC
Re: Coryho 2105
Lambdy jsou stejné. Optimální napětí (způměrované obvody ŘJ je 445 mV).Takže dělič z 5V stab (vývod je na ŘJ), např 10k a 1 k a je vymalováno. 0,45 mA navíc stabilizátor jistě utahne. Vstup pro lambda sondu je vysokoimpedanční, takže neovlivní napětí z děliče. CO korektor u E2 (Samara) je v podstatě totéž.
Re: Coryho 2105
Petr HC, dakujem
Mne ako študentovi ekonómie - štatistiky slovo delič moc nevraví, ale zhruba asi viem o čo ide, len neviem, či si to predstavujem správne. Pokial áno, tak tie rezistory majú byť spojené za sebou (v sérii), najprv 10k a potom 1k. "Za" týmito rezistormi by sa malo objaviť 454,5mV ak dobre počítam.
Dole na obrázku je lambda zo schémy vstrekovacieho systému. Vieš mi povedať, ktorý vývod s ktorým prepojím?
Dole na obrázku je lambda zo schémy vstrekovacieho systému. Vieš mi povedať, ktorý vývod s ktorým prepojím?
Lada 2171 Priora 1,6 MPi (2013), Lada 2105 v regenerácii (1985), Lada 21044 1,9 MPi (1998), Škoda Felícia 1,3 SPi - 40kw (1996), 2 x Babetta 210 (1984,1988), Simson 70 ccm (1989), Zetor 4011 (1966)
-
Petr HC
Re: Coryho 2105
Na vývodech B a D je žhavení Lambda sondy (LS) -nezapojovat. A a C jsou vývody systému LS. Když bys to chtěl "ošulit" podle schematu, který jsem Ti poslal, bylo by to takto: mezi vývody A a C (na ŘJ 28 a 10) bych zapojil odpor 1 k blokovaný kondenzátorem cca 10 k (10000 pF) a k vývodu A (na ŘJ 28) bych připojil + 5 Vstab. přes odpor 10 k (na ŘJ z vývodu 12 nebo 26 - změřit, kde je těch + 5 Vstab). Vše propojit krátkými vodiči u ŘJ a vývody k LS (u výfuku) dobře zaizolovat. Pokud máš jinou ŘJ - bude třeba vše jinak.To bys mi musel zaslat přesný popis toho, co tam vlastně máš. Více napoví obrázek.
- Přílohy
-
- LS.jpg (18.45 KiB) Zobrazeno 1217 x
Re: Coryho 2105
Dakujem Ti Petre
Máš to u mňa. RJ je 2112-1411020-50. Schému som našiel len pre 21124-......
Lada 2171 Priora 1,6 MPi (2013), Lada 2105 v regenerácii (1985), Lada 21044 1,9 MPi (1998), Škoda Felícia 1,3 SPi - 40kw (1996), 2 x Babetta 210 (1984,1988), Simson 70 ccm (1989), Zetor 4011 (1966)