Jistě, a to je dobře, jinak by bylo vše stejnéLightning píše:Ty ..... každý má svůj styl
2105 Vasil
Moderátor: Moderátoři
Re: 2105 Vasil
Žigulíci: VAZ 2101 r.1971, VAZ 2103 r.1974, VAZ 2170 r.2012
- Panthymaeus (Honza)
- Příspěvky: 1393
- Registrován: čtv lis 25, 2010 07:47
- Bydliště: Praha
- Kontaktovat uživatele:
Re: 2105 Vasil
Mně se rozhodně líbí víc ty kola co to má teď. To jsou R14? Co jsou zač? (Hledám nějaké pro jednu 2104ku)
otec: Vaz 2102 (1978, 1.2, 4q), Vaz 2104 (1988, 1.3, 4q), Škoda Octavia 1U (2004, 1.9 PD, 6q)
ja: Vaz 21044i (1996, 1.7i, 5q), Vaz 21044i (1997, 1.7i, 5q), Vaz 2104 (1986, 1.3, 4q) bez SPZ, Vaz 2102 (1980, 1.2, 4q) bez SPZ, Škoda Forman (1993, 1.3) bez STK, Škoda Felicia Mystery (2000, 1.3 LPG)
panthymaeus@gmail.com
ja: Vaz 21044i (1996, 1.7i, 5q), Vaz 21044i (1997, 1.7i, 5q), Vaz 2104 (1986, 1.3, 4q) bez SPZ, Vaz 2102 (1980, 1.2, 4q) bez SPZ, Škoda Forman (1993, 1.3) bez STK, Škoda Felicia Mystery (2000, 1.3 LPG)
panthymaeus@gmail.com
Re: 2105 Vasil
Ano jsou to R14, ale co je to zač, ti teď nepovím. Něco mi bouchá v zadním bubnu při brzdění, tak to budu muset vyměnit, pak dám vědět, co to je za typ. Jsou tam i podložky a montování na náboj je hrůza.
Lada 2105 1,3 1990
Re: 2105 Vasil
Dnes dán nový kohoutek topení (radši i silikon mezi těsnění) + udělaný 2x výplach a nová G11. Původně tam byla červená a vyžrala keramický kohoutek. Vyměněn i olej v převodovce za Castrol 75w90 (gl-4).
Lada 2105 1,3 1990
Re: 2105 Vasil
No co Ti bouchá v zadním bubmu budou nejspíš "dlouhé" šrouby kol které škrtají o pakny brzd . Dost častý úkaz i na origo ráfcích a šroubech když to někdo dorve na "krev" a promáčkne dosedací plochu pro šroub.
VAZ 2102 r.v.74 1984-1997 "Legenda"
VAZ 21043 r.v.90 1996-White Lady - nyní v GO. VAZ 21044 r.v.96 2007-(muzeum koroze)
VAZ 2106 r.v.78 2008-a dál...
VAZ 2105 r.v.87 12/2012-Rudý dělník
Nikdy neříkejte že to nejde,protože se v zápětí objeví někdo kdo neví že to nejde a udělá to!
VAZ 21043 r.v.90 1996-White Lady - nyní v GO. VAZ 21044 r.v.96 2007-(muzeum koroze)
VAZ 2106 r.v.78 2008-a dál...
VAZ 2105 r.v.87 12/2012-Rudý dělník
Nikdy neříkejte že to nejde,protože se v zápětí objeví někdo kdo neví že to nejde a udělá to!
Re: 2105 Vasil
To si nemyslím, dělá to až po zahřátí a jen někdy při prudším brzdění. Kupoval jsem nové šrouby na ALU kola a šuplerou jsem je měřil, že končí těsně za závitem. Vím, že když dám cca 9mm za závit, tak už jsem buben neotočil.
Lada 2105 1,3 1990
Re: 2105 Vasil
Sašo, tak ti dávám za pravdu, byly to dlouhé šrouby kol. Co mám ALU a k nim přesně změřené šrouby, co končí se závitem, tak to nedělá. Dnes jsem jel 200km, zkoušel jsem několikrát prudce brzdit a ani jednou to neudělalo. S origo šrouby na origo kolech ano 
Lada 2105 1,3 1990
Re: 2105 Vasil
Tak mám první menší problém. Z ničeho nic (aniž bych něco měnil) začalo blbnout startování. Je jedno teplý/studený, benzín/plyn, sytič/nesytič. Trvá cca 3-4 sekundy točení motorem než chytne, jakmile naskočí tak žádný problém - cukání, vynechávání, pravidelnost, vůbec nic. Měnil jsem kvůli tomu palec + víko, protože už to bylo dost opálené. Je možná chyba zapalovací cívky? Nechci měnit zbytečně součástku za součástkou, díky.
Lada 2105 1,3 1990
Re: 2105 Vasil
Tak koukám, že jsem sem dlouho nic nepřidal.
Poslední problém, co jsem tady řešil se špatným startem: špatný elektroventil pro vypínání přívodu benzínu do karburátoru. Po přepnutí na LPG trošku propouštěl a při startu jsem startoval jak na LPG, tak benzín. Pořád jsem ale nevěděl, že to je tím. Po pár měsících, už byl problém při volnoběhu - motor zhasínal a pomáhalo pouze držet pedálem zvýšené otáčky. Tak mě napadlo zkusit odpojit hadičku od benzínu za ventilem a bylo jasno.
Auto dostalo nové náplně do diferáku: Castrol multivehicle 75w-90, diferák: Elf tranself B 80w-90.
Každý rok na jaře nový olej mobil 2000 10w-40 (najezdím cca 3000km/rok). Teď chci změnu na shell hx5 15w-40.
Zkoušel jsem vícero značek svíček a osvědčilo se mi (i jak se tvrdí zde na fóru), tak Brisk L14YC. NGK se během pár startu na sytič ulily a chytalo to hůř a hůř.
Vyměněny přední kotouče + destičky TRW.
Nové všechny 4 hlavní hadice chlazení - jedna byla zpuchřelá a u objímky se udělala dírka. Naštěstí pár km od garáže, tak se to dalo dojet - jen s krásným dýmovým efektem za mnou.
Poslední problém, co jsem tady řešil se špatným startem: špatný elektroventil pro vypínání přívodu benzínu do karburátoru. Po přepnutí na LPG trošku propouštěl a při startu jsem startoval jak na LPG, tak benzín. Pořád jsem ale nevěděl, že to je tím. Po pár měsících, už byl problém při volnoběhu - motor zhasínal a pomáhalo pouze držet pedálem zvýšené otáčky. Tak mě napadlo zkusit odpojit hadičku od benzínu za ventilem a bylo jasno.
Auto dostalo nové náplně do diferáku: Castrol multivehicle 75w-90, diferák: Elf tranself B 80w-90.
Každý rok na jaře nový olej mobil 2000 10w-40 (najezdím cca 3000km/rok). Teď chci změnu na shell hx5 15w-40.
Zkoušel jsem vícero značek svíček a osvědčilo se mi (i jak se tvrdí zde na fóru), tak Brisk L14YC. NGK se během pár startu na sytič ulily a chytalo to hůř a hůř.
Vyměněny přední kotouče + destičky TRW.
Nové všechny 4 hlavní hadice chlazení - jedna byla zpuchřelá a u objímky se udělala dírka. Naštěstí pár km od garáže, tak se to dalo dojet - jen s krásným dýmovým efektem za mnou.
Lada 2105 1,3 1990
Re: 2105 Vasil
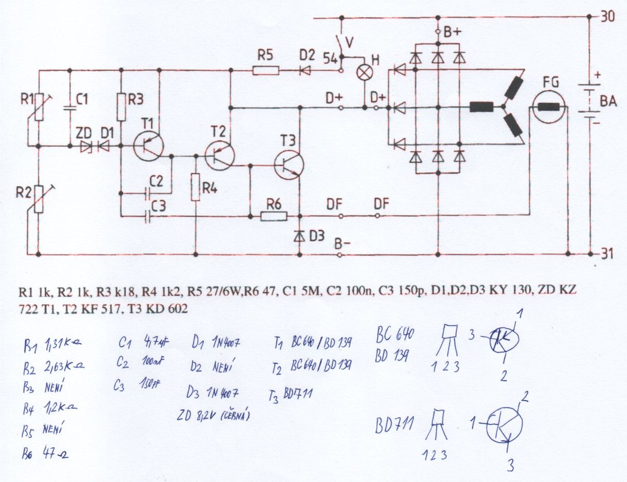
Původně jsem měl elektronický regulátor alternátoru na podběhu. Dobíjecí napětí bylo 12,6-13,8V. Po odpojení a proměření na laboratorním zdroji, při kolika má vypínat buzení rotoru, se na výstupu pro buzení neobjevovalo žádné napětí (žárovková metoda). Zakoupil jsem tedy nový elektronický magneton 14V regulátor. Pro mé zděšení se regulátor choval opačně, 0-14V žárovka nesvítila a při překročení 14V se rozsvítila. Ještě lepší bylo dobíjení bez regulátoru (dráty od regulátoru nechat nezapojené) a chovalo se to stejně jako s připojeným původním regulátorem. Alternátor tedy neměl funkční buzení a dodával energii jen magnetizmem, co byl naindukován na rotoru. S malým odběrem bylo napětí kolem 13,8V a se zapnutými světly 12,6V (rotor měl slabé magnetické pole a stator nedokázal dodat dostatečný proud pro spotřebiče).
Měl jsem zato, že mám pouze 42A verzi a sháněl jsem alternátor z Nivy, bohužel drahé nebo v katastrofálním stavu. Sehnal jsem tedy PAL 55A z favorita, že si uchycení dodělám. Při vymontování alternátoru z Lady jsem zjistil, že mám 55A verzi. Takže jsem zůstal u původního alternátoru, abych nemusel řešit uchycení jiného alternátoru. Komplet rozebrání, nové ložiska, snímací kroužky srovnány na soustruhu, přepájeny nové uhlíky do favoriťáckých alternátoru, nové diody na usměrňovací můstek, nová kabeláž.
Měl jsem ještě starý mechanický pp380 regulátor, který už držel 14V, ale na volnoběh už nestíhal světla + ventilátor a celkem se hřál, padalo napětí. Postavil jsem tedy "vlastní" regulátor. Na netu bylo vícero schémat zapojení, ale líbil se mi jednoduchostí jen jeden. Bohužel starý 30+ let a sehnat původní součástky by byl problém, takže nahradit tranzistory, odpory. Dopočítat hodnoty a odzkoušet - funkční podle představ, návrh a výroba plošného spoje.
Dobíjecí napětí na regulátoru se dá snadno upravovat. Nastaveno na 14,4V a alternátor udrží napětí na volnoběh se světly s ventilátorem a rádiem. Za chodu je spínací tranzistor pouze vlažný.
Měl jsem zato, že mám pouze 42A verzi a sháněl jsem alternátor z Nivy, bohužel drahé nebo v katastrofálním stavu. Sehnal jsem tedy PAL 55A z favorita, že si uchycení dodělám. Při vymontování alternátoru z Lady jsem zjistil, že mám 55A verzi. Takže jsem zůstal u původního alternátoru, abych nemusel řešit uchycení jiného alternátoru. Komplet rozebrání, nové ložiska, snímací kroužky srovnány na soustruhu, přepájeny nové uhlíky do favoriťáckých alternátoru, nové diody na usměrňovací můstek, nová kabeláž.
Měl jsem ještě starý mechanický pp380 regulátor, který už držel 14V, ale na volnoběh už nestíhal světla + ventilátor a celkem se hřál, padalo napětí. Postavil jsem tedy "vlastní" regulátor. Na netu bylo vícero schémat zapojení, ale líbil se mi jednoduchostí jen jeden. Bohužel starý 30+ let a sehnat původní součástky by byl problém, takže nahradit tranzistory, odpory. Dopočítat hodnoty a odzkoušet - funkční podle představ, návrh a výroba plošného spoje.
Dobíjecí napětí na regulátoru se dá snadno upravovat. Nastaveno na 14,4V a alternátor udrží napětí na volnoběh se světly s ventilátorem a rádiem. Za chodu je spínací tranzistor pouze vlažný.
Lada 2105 1,3 1990
- Roman 2105
- Příspěvky: 251
- Registrován: úte lis 01, 2011 20:16
- Bydliště: Děčín
Re: 2105 Vasil
Móc pěkný, mě když zlobilo na 2107 nabíjení a měl alternátor u dvou opravářů tak to stejně nakonec skončilo koupí nového alternátoru a od té doby mám klid. Divím se jen že jsi měl regulátor na podběhu když i moje 2105 z roku výroby 1982 ho měla jako součást alternátoru.
Moskvič 412 , Peugeot 308 , Peugeot 406 , Lada 2107 , Ford Fusion , Jawa 555
Re: 2105 Vasil
Byl to originál alternátor? Když jsem tady pročítal fórum, tak mi přijde, že do aut dávali zrovna co měli skladem (né jenom alternátory). I když alternátor s vestavěným regulátorem se dával do všech 2105 aut. Takže je možné, že to někdo předělával přede mnou...
Lada 2105 1,3 1990
Re: 2105 Vasil
Shodou okolnosti sem vcera hodil do servisu srot ze dvou altiku, at z toho pokud mozno udelaji jeden funkcni.
Pamatuju si, ze na zacatku 90. let muj otec bud nemohl sehnat vestaveny regulator nebo mu neveril a predelal regulaci na externi regulator urceny pro jiny vuz.
Ja ted resil to, ze mi vaz zral altiky. Behem 1 roku a 3000 km odesly dva. Ukazalo se, ze na obou se prerusilo vinuti rotoru. U obou sem mel stejny kus regulatoru. Tak sem z toho co bylo poskladal funkcni altik s novym regulatorem a modlim se, aby ten altik vydrzel do doby, nez mi zrepasuji ty poskozene, pokud to vubec bude mozne, nebo nez koupim novy.
Kazdopadne ta stejna zavada na dvou kusech me trochu desi. Jestli to nemuze mit nejakou externi pricinu.
Pamatuju si, ze na zacatku 90. let muj otec bud nemohl sehnat vestaveny regulator nebo mu neveril a predelal regulaci na externi regulator urceny pro jiny vuz.
Ja ted resil to, ze mi vaz zral altiky. Behem 1 roku a 3000 km odesly dva. Ukazalo se, ze na obou se prerusilo vinuti rotoru. U obou sem mel stejny kus regulatoru. Tak sem z toho co bylo poskladal funkcni altik s novym regulatorem a modlim se, aby ten altik vydrzel do doby, nez mi zrepasuji ty poskozene, pokud to vubec bude mozne, nebo nez koupim novy.
Kazdopadne ta stejna zavada na dvou kusech me trochu desi. Jestli to nemuze mit nejakou externi pricinu.
VAZ 2104 1.3 1989
Re: 2105 Vasil
Vinutí rotoru bylo přetržené nebo přepálené?
Pokud přetržené, máš správné velikosti řemenic, nehrál si třeba někdo s převodováním do rychla? Alternátor u Lady má dlouhodobě 12000rpm a krátkodobě 15000rpm. Poté hrozí vlivem vysoké odstředivé síly přetrhání vodiče.
Pokud přepálené: bych zkontroloval
1. napětí na akumulátoru a přímo na výstupu alternátoru (zda není někde velký úbytek napětí na vodiči) - protože když se nastavuje regulátor, tak se většinou měří napětí na akumulátoru a nepočítají se ztráty na vedení. Na výstupu alternátoru je větší napětí než na akumulátoru. Pokud bude někde velký úbytek napětí, tak na výstupu je třeba o 1V vice než na akumulátoru a o to více musí regulátor budit vinutí > větší proud > větší teplo - jedná se jen o pravděpodobnou příčinu. Netuším jak moc je u Lady stavěné předimenzování vinutí.
2. chlazení - ventilátor, zda tam je a namontovaný správně i když u Lady se snad ani nedá neobrátit. Čistota alternátoru - profuk
3. zkontrolovat regulátor, zda nezvyšuje napětí nad nastavené - opět tepelné namáhání.
4. Nenecháváš dlouho stát auto se zapnutým zapalováním, ale vypnutým motorem? Protože teče budící proud skrz rotor a není ventilátorem chlazený.
Prostě pokud se přepálil vodič, tak z důvodu vysokého proudu a přehřátí. Takže jít po tomto.
Pokud přetržené, máš správné velikosti řemenic, nehrál si třeba někdo s převodováním do rychla? Alternátor u Lady má dlouhodobě 12000rpm a krátkodobě 15000rpm. Poté hrozí vlivem vysoké odstředivé síly přetrhání vodiče.
Pokud přepálené: bych zkontroloval
1. napětí na akumulátoru a přímo na výstupu alternátoru (zda není někde velký úbytek napětí na vodiči) - protože když se nastavuje regulátor, tak se většinou měří napětí na akumulátoru a nepočítají se ztráty na vedení. Na výstupu alternátoru je větší napětí než na akumulátoru. Pokud bude někde velký úbytek napětí, tak na výstupu je třeba o 1V vice než na akumulátoru a o to více musí regulátor budit vinutí > větší proud > větší teplo - jedná se jen o pravděpodobnou příčinu. Netuším jak moc je u Lady stavěné předimenzování vinutí.
2. chlazení - ventilátor, zda tam je a namontovaný správně i když u Lady se snad ani nedá neobrátit. Čistota alternátoru - profuk
3. zkontrolovat regulátor, zda nezvyšuje napětí nad nastavené - opět tepelné namáhání.
4. Nenecháváš dlouho stát auto se zapnutým zapalováním, ale vypnutým motorem? Protože teče budící proud skrz rotor a není ventilátorem chlazený.
Prostě pokud se přepálil vodič, tak z důvodu vysokého proudu a přehřátí. Takže jít po tomto.
Lada 2105 1,3 1990
Re: 2105 Vasil
4 - ne, 3 - vymenil sem za jiny, 2 - na to se nesahalo, normalne je tam "ventilator" jako dycky byl, 1 - za zmereni nic, to zkusim
Trochu nestandardni podminky provozu jsou dve. Jednak jezdim casto dalnice, kde tu 1.3 honim docela nekompromisne, ale zase je to 5 kvalt, takze to tech 130 - 140 nejede v tak vysokych otackach a druhak mam baterku, kterou uz pred 3 lety vyhodil kolega z fabie, ze je spatna a ktera podle priznaku uz ma fakt mizernou kapacitu. Baterku sem uz koupil druhou novou. Dobijeni primo na altiku zkusim premerit a jinak nezbyva nez pockat, co se bude dit
. Snad mi driv vrati altik z repasu, nez se posere ten co tam ted je, protoze zasoby funkcnich kusu uz mi dosly 
Trochu nestandardni podminky provozu jsou dve. Jednak jezdim casto dalnice, kde tu 1.3 honim docela nekompromisne, ale zase je to 5 kvalt, takze to tech 130 - 140 nejede v tak vysokych otackach a druhak mam baterku, kterou uz pred 3 lety vyhodil kolega z fabie, ze je spatna a ktera podle priznaku uz ma fakt mizernou kapacitu. Baterku sem uz koupil druhou novou. Dobijeni primo na altiku zkusim premerit a jinak nezbyva nez pockat, co se bude dit
VAZ 2104 1.3 1989