Pokud byto byl jen soft tak ta trojka by sla prekopat i v zadu.Cory píše:RJ moze byt rovnaka, ale moze mat iny soft.
Koupe Lada Vesta SW Cross
Moderátor: Moderátoři
Re: Koupe Lada Vesta SW Coss
Re: Koupe Lada Vesta SW Coss
Mne by spis zajimal ten volant zda je v nekterych verzich na obednavku nebo jeto verze sam doma?Liftback píše:Veci z ruska dôjdu, po novom sa asi bude doplácať už za všetko clo dph a pod.
Ešte dodám, že dokonca existovala určitá séria vozidiel Vesta z rozdielnymi doplnkami výbav, napr. vyhrievanie sedadiel, jednoduché - jedno alebo trojstupňové nastavenie čo má už aj moja Eskymka ICE sedanA našlo by sa asi ešte pár drobností.. kkcinky no
Mám teraz taký pocit že čarovali aj s vyhrievaným čelným sklom pri pár kusoch, čo chýbalo pri Lux verziách.
Re: Koupe Lada Vesta SW Coss
Tak veci lze obednat jeste do konce cervna. Potom mame utrum.Liftback píše:Veci z ruska dôjdu, po novom sa asi bude doplácať už za všetko clo dph a pod.
Ešte dodám, že dokonca existovala určitá séria vozidiel Vesta z rozdielnymi doplnkami výbav, napr. vyhrievanie sedadiel, jednoduché - jedno alebo trojstupňové nastavenie čo má už aj moja Eskymka ICE sedanA našlo by sa asi ešte pár drobností.. kkcinky no
Mám teraz taký pocit že čarovali aj s vyhrievaným čelným sklom pri pár kusoch, čo chýbalo pri Lux verziách.
Re: Koupe Lada Vesta SW Coss
Hele lidi oni uz maj u inzeratu Auto domů. Tak to by bylo super. To bych nemusel vytahnout paty z domu a auto by bylo doma.Ted je otazka jak byho privezly? Zda po vlastni ose ci na podvalu?

Re: Koupe Lada Vesta SW Coss
Neviem ako iny a teraz, ale pred nedavnom mala Lada Zilina, tiez takuto sluzbu a oni auto priviezli na "odtahovke" priamo pred dom. Nie ze by som to bol skusal, ale cital som to tak. 
Škoda Octavia I 1,9 TDI 66 kw r.1997 (07_2006 - 06_2019)
Lada Vesta sedan LUX- biela r. 2017 - prvá Žiline, jedna z prvej várky pre Slovensko
(04_2017- )
Lada Vesta SW Cross LUX - hnedá r. 2019 - prvá v Lada Žilina,ul. Kragujevská
(06_2019 - )
Lada Vesta sedan LUX- biela r. 2017 - prvá Žiline, jedna z prvej várky pre Slovensko
Lada Vesta SW Cross LUX - hnedá r. 2019 - prvá v Lada Žilina,ul. Kragujevská
Re: Koupe Lada Vesta SW Coss
to jsem ti psal o pár příspěvků výšesyr007 píše:Hele lidi oni uz maj u inzeratu Auto domů.
Volant primárně v Petrohradu za necelých 17 tisíc rublíků, prostuduj tohle:
https://cmgaisd.su/collections/46f41c00 ... 8fe2922901
Multimediální centrum jsem od nich normáněobjednala přišlo bez problému více než dva roky tomu nazad
VAZ nemá kaz (2107 1990-2005, 21113 (2005-2017, 2019 RIP),GFL (Červená Vesta Lux) r. 2017 na prodej někdy kolem roku 2030, Tátova Priora r.v. 2009 od 2021)
YOUTUBE kanál #ladavestacz - dejte odběr
Vokativ (5.pad, oslovujeme volame) je Georgie (2. deklinace, vzor populus, ze
)
Vokativ (5.pad, oslovujeme volame) je Georgie (2. deklinace, vzor populus, ze
Re: Koupe Lada Vesta SW Coss
A je potraba neco dodelat nebo proste jen prehodis a jeto hotovo? Mela vubec verze Cross vyhrivanej volant???Georgius píše:to jsem ti psal o pár příspěvků výšesyr007 píše:Hele lidi oni uz maj u inzeratu Auto domů.
Volant primárně v Petrohradu za necelých 17 tisíc rublíků, prostuduj tohle:
https://cmgaisd.su/collections/46f41c00 ... 8fe2922901
Multimediální centrum jsem od nich normáněobjednala přišlo bez problému více než dva roky tomu nazad
Re: Koupe Lada Vesta SW Coss
Ofíko to slibovali na nějaký facelift, ale nevím, jestli k tomu došlo. Myslím, že tam měli i nějaké video, kde ukazovali co je třeba pozapojovat, ale principielně by to neměl být větší problém, je to prostě výměna volantu a přepojení káblíků (myslím ale, že se počítá, že od nich máš infotainment, kam se to zapojí
).
VAZ nemá kaz (2107 1990-2005, 21113 (2005-2017, 2019 RIP),GFL (Červená Vesta Lux) r. 2017 na prodej někdy kolem roku 2030, Tátova Priora r.v. 2009 od 2021)
YOUTUBE kanál #ladavestacz - dejte odběr
Vokativ (5.pad, oslovujeme volame) je Georgie (2. deklinace, vzor populus, ze
)
Vokativ (5.pad, oslovujeme volame) je Georgie (2. deklinace, vzor populus, ze
Re: Koupe Lada Vesta SW Coss
U prvých sedanov nebolo,prišlo to až v modeloch 2018. Vlastne vtedy,keď medzi sedačkami pribudla centrálna lakťová opierka s odkladacím priestorom,miesto pôvodnej integrovanej len v sedačke. A práve v tej lakťovej opierke je RJ trojstupňového ohrevu sedačiek,ohrevu zadných sedačiek,ohrevu predného okna(preto pribudlo na prístrojovej doske tlačítko zvlášť na ohrev,dovtedy sa zapínal ohrev na panely klímy) a zrejme aj ohrev volantu.RJ je prístupná po oddeklovaní zadnej časti opierky,ako je zásuvka na 12V a panel tlačítok zadného ohrevu s USB.Vašátor píše:Ty nemáš tři stupně na výhřev sedadel? Ja myslel, že je to u všech.
Lada 2101 r.v.1980 (1998-2007)/Lada Samara r.v.1990 (2007-)/Lada 2112 r.v.2002 (2010-2020)/Lada Kalina Cross r.v.2016 (2016-)/Lada Vesta SW Cross r.v.2019 (2020-)
Re: Koupe Lada Vesta SW Coss
predvcerom som to tiez oddekloval pretoze som si doobjednal tie tlacitka a usb port. No vyvedeny tam mam konektor iba pre ten usb port, na tlacitka ohrevu tam kable nevidim ani nikde poskrucane. tie ohrievacie vlozky zo zadnych sedadiel sa pripajaju priamo do tej RJ? A ta RJ je vzdy rovnaka alebo su ine pre rozne vybavy? Pohravam sa s myslienkou ze ked budem mat nejake zvysne dengy ze by som si to dorobil aj pre zadnych
Lada Vesta SW Cross Pluton
- Luděk Musil
- Příspěvky: 10665
- Registrován: úte čer 01, 2004 07:55
- Bydliště: Vyškov/Rašov
- Kontaktovat uživatele:
Re: Koupe Lada Vesta SW Coss
Jako co je škoda, že vzadu jsou vyhřívané jen podsedáky a ne i opěradla … i když mě by to vadit nemělo, protože vzadu jsem ještě neseděl
. L.
21011 -> (78) 84-99; 2103 -> (78) 99-04; 21073 -> (96) 04-07; 21044 -> (99) 07-13; 21044 -> (96) 12-16; Granta bílá -> 16-?; Vesta SW cross barvy Phantom (19) 20-?; 21011 - veterán (75) 12-?
Nemožné na počkání, zázraky do 3 dnů ´
Nemožné na počkání, zázraky do 3 dnů ´
- sickwokmove
- Příspěvky: 305
- Registrován: ned kvě 20, 2018 18:48
- Bydliště: Bratislava
Re: Koupe Lada Vesta SW Coss
pocuj a tebe po tej modifikacii ostala vzadu aj ta 12V aj USB port/porty?thorvald píše:predvcerom som to tiez oddekloval pretoze som si doobjednal tie tlacitka a usb port. No vyvedeny tam mam konektor iba pre ten usb port, na tlacitka ohrevu tam kable nevidim ani nikde poskrucane. tie ohrievacie vlozky zo zadnych sedadiel sa pripajaju priamo do tej RJ? A ta RJ je vzdy rovnaka alebo su ine pre rozne vybavy? Pohravam sa s myslienkou ze ked budem mat nejake zvysne dengy ze by som si to dorobil aj pre zadnych
Re: Koupe Lada Vesta SW Coss
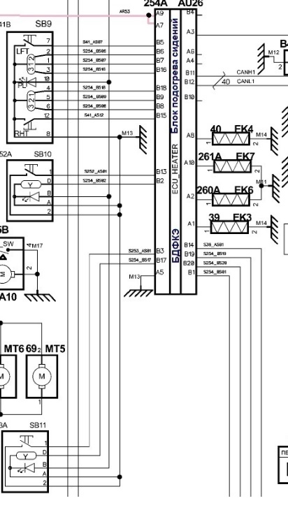
Tu je schéma jednotky ohrevu sedačiek, ak sa chce niekomu baviť s dorábaním....
Ak chce niekto schému celej Vesty LUX alebo aj Vesty ICE(ale Ruskej bez jednotky EMM), nech mi pošle emailovú adresu, rád mu ju pošlem a môže sa baviť dorábaním/prerábaním. Príp. ak by to niekto vedel hodiť do sekcie so schémami. Mne sa to nepodarilo, lebo, že to má veľkú veľkosť.
Ja som napr. podľa tej schémy kontroloval celý ovládač okien/zrkadiel na vodičových dverách(lebo mi blblo ovládanie zrkadiel). No a presne do bodky to sedelo! Overené fyzickým premeraním jednotlivých pinov,....
Ináč, ak by bolo viac vecí o tejto jednotke, tak by si aj zaslúžila vlastné vlákno.
Na tomto odkaze je o nej písané vecí až až. 
Ak chce niekto schému celej Vesty LUX alebo aj Vesty ICE(ale Ruskej bez jednotky EMM), nech mi pošle emailovú adresu, rád mu ju pošlem a môže sa baviť dorábaním/prerábaním. Príp. ak by to niekto vedel hodiť do sekcie so schémami. Mne sa to nepodarilo, lebo, že to má veľkú veľkosť.
Ináč, ak by bolo viac vecí o tejto jednotke, tak by si aj zaslúžila vlastné vlákno.
Škoda Octavia I 1,9 TDI 66 kw r.1997 (07_2006 - 06_2019)
Lada Vesta sedan LUX- biela r. 2017 - prvá Žiline, jedna z prvej várky pre Slovensko
(04_2017- )
Lada Vesta SW Cross LUX - hnedá r. 2019 - prvá v Lada Žilina,ul. Kragujevská
(06_2019 - )
Lada Vesta sedan LUX- biela r. 2017 - prvá Žiline, jedna z prvej várky pre Slovensko
Lada Vesta SW Cross LUX - hnedá r. 2019 - prvá v Lada Žilina,ul. Kragujevská
Re: Koupe Lada Vesta SW Coss
Ma Vesta v 1.6 hydrostely nebo ne?

Re: Koupe Lada Vesta SW Coss
Masyr007 píše:Ma Vesta v 1.6 hydrostely nebo ne?![]()
Lada 2171 Priora 1,6 MPi (2013), Lada 2105 v regenerácii (1985), Lada 21044 1,9 MPi (1998), Škoda Felícia 1,3 SPi - 40kw (1996), 2 x Babetta 210 (1984,1988), Simson 70 ccm (1989), Zetor 4011 (1966)