Co si myslíte o tomto?

vše o elektrotechnice

Moderátor: Moderátoři

Uživatelský avatar
veliz
Příspěvky: 505
Registrován: čtv led 28, 2010 21:19
Bydliště: Praha-západ

Re: Co si myslíte o tomto?

Příspěvek od veliz »

Může a nejspíše i bude. V tomto případě ale není moc co ztratit. Maximálně vyhodím 15 stovek a ztratím pár hodin času. Vzhledem k tomu, že se modul dodává jako stavebnice (a ne černá skříňka), můžu si pohrát s hw i sw.
Lada Niva 1,7MPi+LPG r.v. 2009 (01/2010 - 3/2014);
Lada 2105 r.v. 1985 (06/1994 - 11/1996);
Uživatelský avatar
Krwel
Příspěvky: 128
Registrován: stř čer 02, 2004 07:40
Bydliště: Říčany u Prahy
Kontaktovat uživatele:

Re: Co si myslíte o tomto?

Příspěvek od Krwel »

Zdravím, po dlouhé době jsem opět našel čas zabrousit i sem a toto je věc, která mi v hlavě už koluje hodně dlouhou dobu. Tak bych se rád optal, zda to už má někdo odzkoušené? Měl jsem známého, který mi takovou krabičku i vyrobil a fungovala zkušebně velmi dobře a byla za úplně jinou cenu, ale bohužel to nedotáhl do zdárného finiše, tak hledám relevantní náhradu.
Ex: Lada 2105, Lada 2107
Lancia Kappa 2.4JTD SW "Parníček"
Petr HC

Re: Co si myslíte o tomto?

Příspěvek od Petr HC »

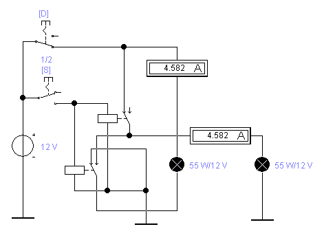
To Veliz a Krwel - když už chcete za každou cenu na toto téma "laborovat" a nevyhodit 1500 - 2300 Kč, kupte si dvě autorelátka po cca 55 kč (nebo ze "šroťáku" skoro zadarmo), zapojte je tak, aby se žárovky přepnuly do serie a můžete vesele ničit halogenky ( možná že to nějaký čas vydrží) . Jak moc budou žárovky svítit nezaručuji, poněvadž zde bude hrát roli teplotní součinitel odporu wolframu. Simulace na obrázku asi nebude odpovídat realitě, řekl bych, že proud v zapojení 1_2 bude o něco vyšší.
P.S: i mně by zajímal výsledek (poněvadž hovadinami se nerad zabývám).
Přílohy
sv1_2.jpg
sv1_1.jpg
Odpovědět

Zpět na „Elektronická výbava a doplňky auta - BASTLÍRNA“