2104 - měla zavírání paliva na volnoběh?

Moderátor: Moderátoři

Odpovědět
Uživatelský avatar
Jimmi
Příspěvky: 1528
Registrován: pon čer 12, 2006 15:41
Bydliště: Praha, Teplice

2104 - měla zavírání paliva na volnoběh?

Příspěvek od Jimmi »

Měly karburátorové žigulíky (konkrétně 2104) uzavírání paliva na volnoběh elektromagnetickým ventilem? Teď nemám na mysli ten ventil proti samozápalům.
Жигули ВАЗ 2103 1.5/55,4 kW белый (сделано в 1974 г.) оу йеах гуд джоб ёлки-палки t.č. odstraněny dva metráky pavučin, vrčí a jezdí kolem bloku
Toyota Corolla LiftBack 1.3/65 kW deep turquoise
Toyota Corolla HB 3D 1.3/55 kW red
Marek
Příspěvky: 5351
Registrován: úte čer 01, 2004 21:31
Bydliště: Třebíč, CZ

Příspěvek od Marek »

Máš jistě na mysli ekonomizér (takové ty hadičky a pneumatický ventil).

Pokud měla OZON DAAZ 2105, pak ano. Pokud měla Solex, tak ne.
RENAULT Mégane Grandtour *04/2008 - 1,5dCi 78kW (06/2016-)
RENAULT Kadjar *04/2019 - 1,33TCe 117kW automat (11/2025-)
Uživatelský avatar
Jimmi
Příspěvky: 1528
Registrován: pon čer 12, 2006 15:41
Bydliště: Praha, Teplice

Příspěvek od Jimmi »

A od kterého roku to bylo možné a jak to vlastně fungovalo? Nějak to hlídalo podtlak....?
Жигули ВАЗ 2103 1.5/55,4 kW белый (сделано в 1974 г.) оу йеах гуд джоб ёлки-палки t.č. odstraněny dva metráky pavučin, vrčí a jezdí kolem bloku
Toyota Corolla LiftBack 1.3/65 kW deep turquoise
Toyota Corolla HB 3D 1.3/55 kW red
Uživatelský avatar
JmJ
Příspěvky: 6737
Registrován: úte čer 01, 2004 11:30
Bydliště: Kromeriz

Příspěvek od JmJ »

Vstupem je poloha plynu a otacky. Pohledej na foru, uz mnohokrat sem tu psal, jak to pracuje. Zkus to najit.
VAZ 2104 1.3 1989
Marek
Příspěvky: 5351
Registrován: úte čer 01, 2004 21:31
Bydliště: Třebíč, CZ

Příspěvek od Marek »

Mělo to vlastní řídicí jednotku. Ta hlídala otáčky motoru a uzavření klapky karburátoru.

Pokud jsi měl otáčky motoru vyšší než cca 1700 rpm (tedy vyšší než volnoběžné) a současně byla zavřená škrticí klapka karburátoru (což vlastně v praxi znamená brzdění motorem), jednotka odpojila elektriku pneumatickému ventilku. Tedy uzavřel podtlak k membráně ovládající uzávěrku volnoběhového kanálu. Tím došlo k uzavření proudění paliva volnoběhovým kanálkem a motor měl okamžitou spotřebu 0.
Při snížení otáček pod 1200 rpm (volnoběh) nebo při otevření klapky karburátoru (sešlápnutý plyn) se vše opět aktivovalo a volnoběhový kanál dodával palivo.


Jednodušším způsobem to vysvětlit neumím. Najdi si k tomu obrázky a jistě to pochopíš.
RENAULT Mégane Grandtour *04/2008 - 1,5dCi 78kW (06/2016-)
RENAULT Kadjar *04/2019 - 1,33TCe 117kW automat (11/2025-)
Petr HC

Příspěvek od Petr HC »

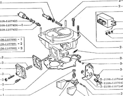
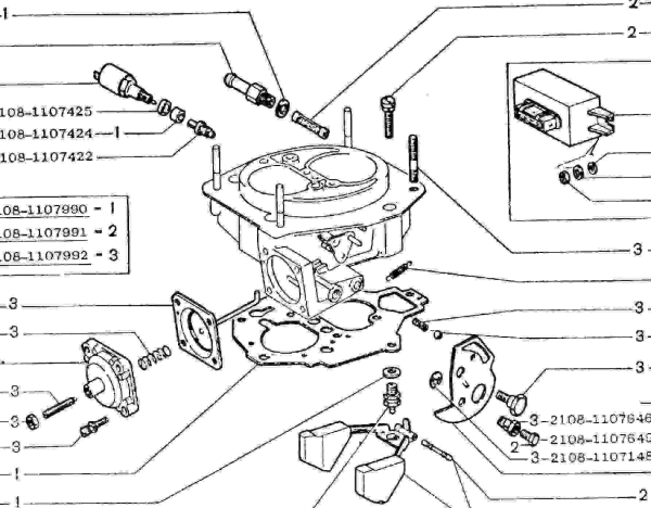
Moje "bývalka" Lada 2104 z r. 1988 měla již z Togliatti samarácký karburátor s elektromagnetickým uzavíráním volnoběžné trysky - funkce stejná jak popisoval JmJ i Marek .Viz příloha .
Cory
Příspěvky: 11714
Registrován: stř čer 14, 2006 17:14
Bydliště: Snina/Košice

Příspěvek od Cory »

Funkcia rovnaka, iba to nebolo ovladane cez podtlak
Lada 2171 Priora 1,6 MPi (2013), Lada 2105 v regenerácii (1985), Lada 21044 1,9 MPi (1998), Škoda Felícia 1,3 SPi - 40kw (1996), 2 x Babetta 210 (1984,1988), Simson 70 ccm (1989), Zetor 4011 (1966)
Petr HC

Příspěvek od Petr HC »

Nějak se mi nedaří připojit přílohu .For Cory - kdyby to bylo přes podtlak ,psal bych "s elektropneumatickým ovládáním" . Je to přímo elektromagnetickým ventilem .
Přílohy
karbzz.jpg
Naposledy upravil(a) Petr HC dne čtv dub 24, 2008 14:36, celkem upraveno 1 x.
Maysner
Příspěvky: 3209
Registrován: čtv črc 06, 2006 13:22
Bydliště: Brno

Příspěvek od Maysner »

kdyz uz se tu v tom vrtate chtel bych se optat zda by se dal zkombinovat ekonomizer a karburator weber?
E36 330i coupe skoro Alpina, Mauritiusblau Metallic - Crash Packet
Dokud karu nerozdelas, nevis o ni nic :-P

Chatka 12 forever
Buková Drift Challenge Team
Romania team 2009
Uživatelský avatar
Křečík Barbuška
Příspěvky: 11111
Registrován: ned srp 29, 2004 09:01
Bydliště: Brno

Příspěvek od Křečík Barbuška »

Asi ano, kdysi tuto myšlenku tady Marek připustil. Myslím, že to chodit bude, otázkou je kolik paliva bude strháváno permanentně pootevřenou klapkou první komory. Mám totiž pocit, že ventil zavírá jen volnoběžný kanál, ale možná se mýlím.
Lada Granta Liftback 1,6 16V platinum - téměř normální auto
Lada Granta Liftback 1,6 16V bílá - necháme se překvapit
ex VAZ 2105, VAZ 2104, VAZ 2107, VAZ 1117
Uživatelský avatar
JmJ
Příspěvky: 6737
Registrován: úte čer 01, 2004 11:30
Bydliště: Kromeriz

Příspěvek od JmJ »

Ma-li weber volnobezny kanal, ktery obchazi klapku, tak jako u ozonu, pak by to k necemu bylo. Ale mam dojem, ze weber steluje volnobeh pootevrenim klapky, nebo se pletu? pak nevim, kam by se to vubec dalo na weber umistit.

ale sem uz zpitomely, takze mozna melu bludy.
VAZ 2104 1.3 1989
Marek
Příspěvky: 5351
Registrován: úte čer 01, 2004 21:31
Bydliště: Třebíč, CZ

Příspěvek od Marek »

U Weberu je to malinko jinak: WEBER má paralelní kanál kolem klapek, kterým proudí směs namíchaná tryskou a vzdušníkem volnoběhového kanálku (podobně jako u OZONu). Rozdíl je však v tom konečném podávání směsi pod klapky. Zatímco u OZONu se paralelně k této již předmíchané volnoběhové směsi přisává vzduch vlastním vzduchovým kanálkem a jeho množství regulujeme šroubem množství směsi, u WEBERu takový přídavný kanálek není a tento vzduch musíme přisávat nepatrně otevřenou klapkou I.stupně - finální směs pro volnoběh (o správném množství a bohatosti) se u WEBERu mísí až v sacím traktu motoru a nikoli již v karburátoru jako je tomu u OZONu. Otevření škrticí klapky u WEBERu je ovšem tak malé, že rychlost proudění vzduchu skrz její difuzor nemá sílu na strhávání paliva z hlavní soustavy (jinak by to totiž pozbývalo smyslu).

Celé by to v praxi fungovalo asi takto: Zapojení ekonomizéru pro WEBER by bylo jednodušší než u OZONu, nemusel by se využívat podtlak ani pneumatický ventil. Potřebovali bychom mikrospínač na páku táhla I.stupně (stejně jako u OZONu) a řídicí jednotku pro ekonomizér (rovněž viz OZON). Ovládací elektrika by se zapojila stejně jako u OZONu s tím rozdílem, že spínané plus by nespínalo žádný pneumatický ventil (který by dále ovládal podtlak na membránu volnoběhového kanálku..................), ale ovládal by přímo cívku elektromagnetického ventilu uzavírání volnoběhové trysky.

Samozřejmě toto může fungovat pouze u WEBERu 1500/1600 (WEBER pro 1200/1300 nemá elektromagnetický ventil).
RENAULT Mégane Grandtour *04/2008 - 1,5dCi 78kW (06/2016-)
RENAULT Kadjar *04/2019 - 1,33TCe 117kW automat (11/2025-)
Odpovědět

Zpět na „Hnací soustava“