Mix otázek a odpovědí III
Moderátor: Moderátoři
Re: Mix otázek a odpovědí III
Podložky různých tlouštěk jsem kupoval normálně ve spojovacím materiálu (např. Fabory) a doma z nich flexkou udělal "céčka".
2x УАЗ 452, еx 21044 a 2105
Re: Mix otázek a odpovědí III
Také se prodávají kalené zajišťovací podložky tvaru podobného C pro vložení do drážky hřídele (v práci jsme jim říkali "kočičiky").
Re: Mix otázek a odpovědí III
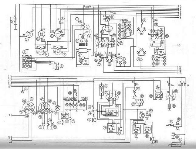
Nema nekto schemu zapojenia stieracov na klasike?
Lada 2171 Priora 1,6 MPi (2013), Lada 2105 v regenerácii (1985), Lada 21044 1,9 MPi (1998), Škoda Felícia 1,3 SPi - 40kw (1996), 2 x Babetta 210 (1984,1988), Simson 70 ccm (1989), Zetor 4011 (1966)
- Křečík Barbuška
- Příspěvky: 11086
- Registrován: ned srp 29, 2004 09:01
- Bydliště: Brno
Re: Mix otázek a odpovědí III
Nic moc asi.
Lada Granta Liftback 1,6 16V platinum - téměř normální auto
Lada Granta Liftback 1,6 16V bílá - necháme se překvapit
ex VAZ 2105, VAZ 2104, VAZ 2107, VAZ 1117
Lada Granta Liftback 1,6 16V bílá - necháme se překvapit
ex VAZ 2105, VAZ 2104, VAZ 2107, VAZ 1117
Re: Mix otázek a odpovědí III
aj to pomoze, dakujem 

Lada 2171 Priora 1,6 MPi (2013), Lada 2105 v regenerácii (1985), Lada 21044 1,9 MPi (1998), Škoda Felícia 1,3 SPi - 40kw (1996), 2 x Babetta 210 (1984,1988), Simson 70 ccm (1989), Zetor 4011 (1966)
Re: Mix otázek a odpovědí III
Potřebuju odstínit kabel antény k radiu. Když zapnu v autě kameru, tak rádio skoro nechytá jinak běžně dostupný stanice. Ty kabely jsou oba vedený stejnýma místama (rozuměj vedle sebe).
Je na to nějaká folie nebo tak něco ?
Je na to nějaká folie nebo tak něco ?
Na prodej přebytečné N.D. na Ladu 111: http://forum.ladaklub.com/viewtopic.php ... rod%C3%A1m
znamení : KozoHroch
znamení : KozoHroch

Re: Mix otázek a odpovědí III
Jako nouzové, ale levné, dostupné a i funkční se používalo řádné obalení (bez mezer) alobalem.
Žigulíci: VAZ 2101 r.1971, VAZ 2103 r.1974, VAZ 2170 r.2012
Re: Mix otázek a odpovědí III
Dík, to zkusím. A stačí toho alobalu jedna vrstva ?
Na prodej přebytečné N.D. na Ladu 111: http://forum.ladaklub.com/viewtopic.php ... rod%C3%A1m
znamení : KozoHroch
znamení : KozoHroch

- ger007
- Příspěvky: 4785
- Registrován: úte kvě 06, 2008 13:38
- Bydliště: NMnV - Brno
- Kontaktovat uživatele:
Re: Mix otázek a odpovědí III
problem
na plyne som odlomil jednu podtlakovu trubku to teleso na ktorom som to odlomil je vyobrazene na obrazku, priemer dierky vnutorny je asi 2 - 3 mm a potrebujem tu cast kde je to odlomene neakym sposbom zaslepit, je to obyc plast ziadna velka veda, akurat neviem cim silikon tam moc nedrzal, na to aby som tam nasroboval srobik je to kratke a tak babo rad !
na plyne som odlomil jednu podtlakovu trubku to teleso na ktorom som to odlomil je vyobrazene na obrazku, priemer dierky vnutorny je asi 2 - 3 mm a potrebujem tu cast kde je to odlomene neakym sposbom zaslepit, je to obyc plast ziadna velka veda, akurat neviem cim silikon tam moc nedrzal, na to aby som tam nasroboval srobik je to kratke a tak babo rad !
Be better, not second best
if not better, be different
LADA !
1x2104X 16V, 1x 21044, 2 x 1111, 1xB210, 1xJawa550, 1x Toyota Avensis T25

детские игрушки
if not better, be different
LADA !
1x2104X 16V, 1x 21044, 2 x 1111, 1xB210, 1xJawa550, 1x Toyota Avensis T25

детские игрушки
- Luděk Ondrůch
- Příspěvky: 1529
- Registrován: pon srp 01, 2005 12:59
- Bydliště: Brno
- Kontaktovat uživatele:
Re: Mix otázek a odpovědí III
Zítra se stav, donesu z práce dvousložkové lepidlo na plasty a pod.
VAZ 1117
- ger007
- Příspěvky: 4785
- Registrován: úte kvě 06, 2008 13:38
- Bydliště: NMnV - Brno
- Kontaktovat uživatele:
Re: Mix otázek a odpovědí III
Ahoj, diky stavim sa az nedelu dnes ponahlam do prahe
Be better, not second best
if not better, be different
LADA !
1x2104X 16V, 1x 21044, 2 x 1111, 1xB210, 1xJawa550, 1x Toyota Avensis T25

детские игрушки
if not better, be different
LADA !
1x2104X 16V, 1x 21044, 2 x 1111, 1xB210, 1xJawa550, 1x Toyota Avensis T25

детские игрушки
- Teepee
- Příspěvky: 4354
- Registrován: čtv bře 10, 2005 13:20
- Bydliště: Praha západ
- Kontaktovat uživatele:
Re: Mix otázek a odpovědí III
Tak mám taky jednu prosbu, neautomobilní.
Není tu nějaký nadšenec, či znalec Ekonomie (Mikroekonomie.)? Mám tu příklady, které mám odpovědět - spočítat a chtěl bych své závěry nechat zkontrolovat, ať je výsledek dokonalý.
Nebo jestli neznáte někoho ze svého okolí, kdo byl ochotný na to kouknout?
Předem díky moc, TP
Není tu nějaký nadšenec, či znalec Ekonomie (Mikroekonomie.)? Mám tu příklady, které mám odpovědět - spočítat a chtěl bych své závěry nechat zkontrolovat, ať je výsledek dokonalý.
Nebo jestli neznáte někoho ze svého okolí, kdo byl ochotný na to kouknout?
Předem díky moc, TP
Bílý LADA a okřídlená spol.
- Luděk Musil
- Příspěvky: 10635
- Registrován: úte čer 01, 2004 07:55
- Bydliště: Vyškov/Rašov
- Kontaktovat uživatele:
Re: Mix otázek a odpovědí III
Pošli mě to ... sousedka to pár let studovala v Hradci, tak to spolu s láhví rašovské vody probereme. L.
21011 -> (78) 84-99; 2103 -> (78) 99-04; 21073 -> (96) 04-07; 21044 -> (99) 07-13; 21044 -> (96) 12-16; Granta bílá -> 16-?; Vesta SW cross barvy Phantom (19) 20-?; 21011 - veterán (75) 12-?
Nemožné na počkání, zázraky do 3 dnů ´
Nemožné na počkání, zázraky do 3 dnů ´
Re: Mix otázek a odpovědí III
Neviem sice o čo presne ide, ale mikroekonomiu som absolvoval...Je to z praxe alebo "len" teoria?
Lada 2171 Priora 1,6 MPi (2013), Lada 2105 v regenerácii (1985), Lada 21044 1,9 MPi (1998), Škoda Felícia 1,3 SPi - 40kw (1996), 2 x Babetta 210 (1984,1988), Simson 70 ccm (1989), Zetor 4011 (1966)
- Teepee
- Příspěvky: 4354
- Registrován: čtv bře 10, 2005 13:20
- Bydliště: Praha západ
- Kontaktovat uživatele:
Re: Mix otázek a odpovědí III
Čistá teorie.Cory píše:Neviem sice o čo presne ide, ale mikroekonomiu som absolvoval...Je to z praxe alebo "len" teoria?
Poptávka, Nabídka, Elasticita, Chování spotřebitele, Chování výrobce, Konkurence, Monopol
Něco je jednoduchý, ale jak tak do toho koukám, něco ještě musím dostudovat.
Bílý LADA a okřídlená spol.