Lada 210573 nezmar
Moderátor: Moderátoři
- Majo2103
- Příspěvky: 555
- Registrován: pát lis 16, 2007 19:17
- Bydliště: Ploské 79
- Kontaktovat uživatele:
Marek89, ani som nad tebou neuvazoval...este keby si byval mojim smerom,ale trepat sa z Cane,odtiahnut ma domov a potom nazad a este k tomu o 23.30......ta co si....
Tešiť sa dá aj z maličkostí, napríklad z výplaty...
Najlepšie je nič neriešiť, veď ono sa to už poserie aj samo..
Nealkoholické pivo je ako porno v rádiu...
Najlepšie je nič neriešiť, veď ono sa to už poserie aj samo..
Nealkoholické pivo je ako porno v rádiu...
hehe a ked ta môj kamos upozornil u mna ze ti nesvieti brzda jak som sedel z kopca za volantom a na moju otazku ci menime ziarovku si povedal ze netreba, ze dojdes 
Uz aj na pumpe na nas ti dvaja pri passate pozerali trochu divne ze chalan v robotnickom za volantom a druhi v saku a svetriku roztlaca auto
Inak je zaujimave vidiet maja jazdit na jeho zige. o 22:00 vsade ticho jak pred burkou a naraz pocujete rev motora dvojka palba, trojka palba
na mojej ulici je taky spomalovac a hned vedla parkovisko takze ked nestoja na parkovisku auta da sa obist. my sme ho samozrejme obisli v efektnom miernom smyku na kamienkoch 
inak za tu palubu nemas za co dufam ze dobre posluzi. Podla mna ta ziga je celkom dobra akurat ten altik. Lestenka z nej uz asi nikdy nebude ale amt zigu v takom stave s 1500 motortom dam dole auto, ztvrdim pdovozok a si z nej spravim rally city treningac
Uz aj na pumpe na nas ti dvaja pri passate pozerali trochu divne ze chalan v robotnickom za volantom a druhi v saku a svetriku roztlaca auto
Inak je zaujimave vidiet maja jazdit na jeho zige. o 22:00 vsade ticho jak pred burkou a naraz pocujete rev motora dvojka palba, trojka palba
inak za tu palubu nemas za co dufam ze dobre posluzi. Podla mna ta ziga je celkom dobra akurat ten altik. Lestenka z nej uz asi nikdy nebude ale amt zigu v takom stave s 1500 motortom dam dole auto, ztvrdim pdovozok a si z nej spravim rally city treningac
Minule mi povedala jedna milá pani,
Maťo mne sa zdá že ty si ani, ani, ani.
Musíš vedieť kde máš miesto, musíš niekam
patriť,
nemôžeš sa takto motať a tárať dve na tri.
Maťo mne sa zdá že ty si ani, ani, ani.
Musíš vedieť kde máš miesto, musíš niekam
patriť,
nemôžeš sa takto motať a tárať dve na tri.
- Marek89
- Příspěvky: 1818
- Registrován: úte úno 20, 2007 17:45
- Bydliště: Čaňa, KE - Okolie
- Kontaktovat uživatele:
Majo, mne by to nerobilo žiadny problém. Čo tam po tom, že robiť cestu naprázdno, hlavne, že je pomoc.
Lada 2105
Vaz náš, ktorý si vyvarený
roztoč sa opäť kolesa tvoje,
buď jazda Tvoja na všetkých diaľniciach
a cestach, odpusť nám naše úpravy ako
i my odpúštame Tvoje neduhy a neuved nás
do pokušenia prejsť na inú značku a zbav
nás všetkých protivných techinkov STK.
NATURAL!
Vaz náš, ktorý si vyvarený
roztoč sa opäť kolesa tvoje,
buď jazda Tvoja na všetkých diaľniciach
a cestach, odpusť nám naše úpravy ako
i my odpúštame Tvoje neduhy a neuved nás
do pokušenia prejsť na inú značku a zbav
nás všetkých protivných techinkov STK.
NATURAL!
- Majo2103
- Příspěvky: 555
- Registrován: pát lis 16, 2007 19:17
- Bydliště: Ploské 79
- Kontaktovat uživatele:
Marek89, dufam,ze viac sa v takej situacii neocitnem,ale ak by nahodou,tak volam.....
presne si vystihol plany s autom,ale to je otazka finacnej a casovej situacie...mayo456 píše:amt zigu v takom stave s 1500 motortom dam dole auto, ztvrdim pdovozok a si z nej spravim rally city treningac
Tešiť sa dá aj z maličkostí, napríklad z výplaty...
Najlepšie je nič neriešiť, veď ono sa to už poserie aj samo..
Nealkoholické pivo je ako porno v rádiu...
Najlepšie je nič neriešiť, veď ono sa to už poserie aj samo..
Nealkoholické pivo je ako porno v rádiu...
- Majo2103
- Příspěvky: 555
- Registrován: pát lis 16, 2007 19:17
- Bydliště: Ploské 79
- Kontaktovat uživatele:
takze dnes po dvoch mesiacoch auto zase dobija....vymeneny respektive zalozeny alternator od Puhiho(dik)...cez tyzden som dokoncil vymenu tapacirov....hned sa na to lepsie pozera....Cory,na koniec tiahel som pribodoval srubky s odrezanou hlavickou....
auto sice dobija,ALE neda sa vypnut klucom....aj ked vypnem klucik,motor furt bezi,kontrolky svietia,nezavisle od polohy kluca...cez kvalt odstavim motor,vsetko zhasne...a dalsia vec je,ze kontrolka dobijania nezhasina....inac to dobija normalne...
podozrieval som zapojenie tych 07mickovych budikov,ale aj ked som poodpajal konektory,furt to neslo vypnut klucom....kym som mal nefunkcne dobijanie,slo to normalne...
auto sice dobija,ALE neda sa vypnut klucom....aj ked vypnem klucik,motor furt bezi,kontrolky svietia,nezavisle od polohy kluca...cez kvalt odstavim motor,vsetko zhasne...a dalsia vec je,ze kontrolka dobijania nezhasina....inac to dobija normalne...
podozrieval som zapojenie tych 07mickovych budikov,ale aj ked som poodpajal konektory,furt to neslo vypnut klucom....kym som mal nefunkcne dobijanie,slo to normalne...
Tešiť sa dá aj z maličkostí, napríklad z výplaty...
Najlepšie je nič neriešiť, veď ono sa to už poserie aj samo..
Nealkoholické pivo je ako porno v rádiu...
Najlepšie je nič neriešiť, veď ono sa to už poserie aj samo..
Nealkoholické pivo je ako porno v rádiu...
- Majo2103
- Příspěvky: 555
- Registrován: pát lis 16, 2007 19:17
- Bydliště: Ploské 79
- Kontaktovat uživatele:
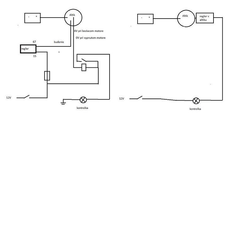
Puhi, lenze ty si to myslis so starym typom alternatora s externym reglerom a relatkom kontrolky.....ja som tam mal normalne ten novy typ s regulatorom na altrenatore,ALE existuju dva typy tychto polovodicovych regulatorov....ja som tam mal ten starsi....je to taky vacsi obdlznicek,na ktory sa este napaja kablik...tusim ze to bolo tych +12V zo spinacky a este je tam na alternatore dalsi konektor na nulove vinutie tusim....a tento alternator od teba,ma novsi typ regulatora,na ktory nepripajas nic a je tam len jeden konektor na tych +12V ako pises.....
Tešiť sa dá aj z maličkostí, napríklad z výplaty...
Najlepšie je nič neriešiť, veď ono sa to už poserie aj samo..
Nealkoholické pivo je ako porno v rádiu...
Najlepšie je nič neriešiť, veď ono sa to už poserie aj samo..
Nealkoholické pivo je ako porno v rádiu...
mas 07kovu pristrojovku. Kablik, ktory ide od povodneho relatka ku kontrolke nadpoj a pripoj na altik a ku kontrolke prived plus od spinacky.
Lada 2171 Priora 1,6 MPi (2013), Lada 2105 v regenerácii (1985), Lada 21044 1,9 MPi (1998), Škoda Felícia 1,3 SPi - 40kw (1996), 2 x Babetta 210 (1984,1988), Simson 70 ccm (1989), Zetor 4011 (1966)
- Majo2103
- Příspěvky: 555
- Registrován: pát lis 16, 2007 19:17
- Bydliště: Ploské 79
- Kontaktovat uživatele:
Puhi, ono to inac dobija normalne...s tym nie je problem....problem je,ze nezhasne kontrolka,aj ked to dobija.....
Cory, ak myslis relatko na kontrolku,tak este raz opakujem,ze ziadne tam nemam,ani som nemal....pred tym tam bol ten isty alternator,len mal starsi typ polovodicoveho regulatora....tot vsjo....
Cory, ak myslis relatko na kontrolku,tak este raz opakujem,ze ziadne tam nemam,ani som nemal....pred tym tam bol ten isty alternator,len mal starsi typ polovodicoveho regulatora....tot vsjo....
Tešiť sa dá aj z maličkostí, napríklad z výplaty...
Najlepšie je nič neriešiť, veď ono sa to už poserie aj samo..
Nealkoholické pivo je ako porno v rádiu...
Najlepšie je nič neriešiť, veď ono sa to už poserie aj samo..
Nealkoholické pivo je ako porno v rádiu...