Ešte niekde by som mal mať nákres na výrobu podložiek pod misky pružín, aby sa misky vyrovnali do roviny, ale tuším s nimi bol nejaký problém. Keď budem mať viac času pozriem sa na to.
Přílohy
LADA NIVA 4X4 /4x2 1.7i LPG od 28.08.2008
--------------------------------------------------------------
ta podložky pod čepy jsem si nechal pálity a jsou dobré akorát by to chtělo jednu bez ty díry protože v tom je pěkne bláta
a ty zadní podlozky pokud si je necháš vypálit jen takhle kruhy tak to pak chce dokola ješte navařit kousek plechu aby se nedeformovala guma
Lada Niva 1.7i GM praktik rok 1997 offroad
Lada Niva special 1,7i GM rok 2000 pracovní
Avia a11 trend
Aro M461 https://www.facebook.com/kovarriki
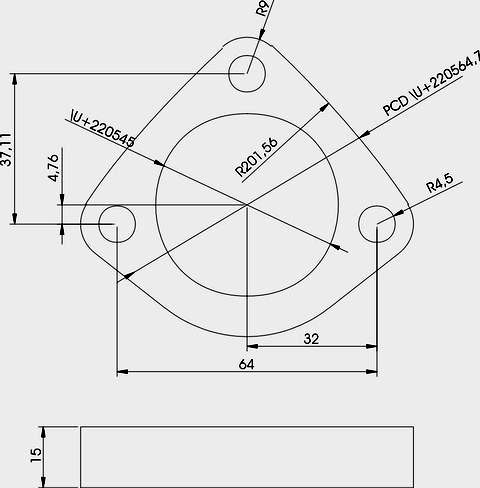
stejne neviem kto by to podla toho vyrabal, to by chcelo CNC a pritom na to staci obyc sustruh a stojanova vrtacka. Ked zoberies zigulacky cap a kus hliniku sustruznikovi, on uz bude vediet co s tym. Jediny rozmer co potrebuje je pozadovana vyska podlozky, ostatne si pomeria podla capu.
Tak mi napada, vie niekto aky domcek riadenia ma Niva? 2101, teda s dlhou hriadelou alebo 2105, teda s kratkou?
21043(reinkarnacia), 2105 1.3k(svagrov), 2110 1.5 16V, Niva(rozobrata), Chevy Niva 1.7i, Priora1,8+, BMW e36 328iA, Fiat Tempra 2.0i.e, 4x4
Dik, to by znamenalo, ze original je 2101, to by aj davalo zmysel, kedze Nivu vymysleli v case ked 05 na svete este nebola. Ok, Cmelo, mam teda pre Teba tu spravnu
21043(reinkarnacia), 2105 1.3k(svagrov), 2110 1.5 16V, Niva(rozobrata), Chevy Niva 1.7i, Priora1,8+, BMW e36 328iA, Fiat Tempra 2.0i.e, 4x4