Kompresor - elektrika
Moderátor: Moderátoři
Kompresor - elektrika
Zdravim, mam otazku ohladom kompresoru. Mam doma vyrobeny kompresor, ktory sa sklada z tlakovej nadoby, kompresora z nejakej chladnicky na mlieko z JZD a 3-fazoveho elektromotora. Dedo ho spravil tak, ze sa zapina klasickym vypinacom a po natlakovani odfukne, no motor bezi dalej.Kupil som si na UA za dobru cenu tlakovy spinac s redukcnym ventilom, avsak je len na jednu fázu.Moja otazka znie, ako zapojit ovladanie. Mam stojanovu vrtacku z roku 1949 a tam je to robene podobne-tlacidlami sa ovlada jedna faza, ktora pritiahne cievkou kontakty a spoji 3 fazy pokracujuce do motora. Mam este jednu taku "cievku" len neviem ci ju mozem zapojit podobne ako na tej vrtacke, alebo musi typ cievky nejak zodpovedat motoru-elektrika je zradna. Zajtra budem v garazi, tak vyhrabem tu "cievku" a pozriem sa na nu.
Lada 2171 Priora 1,6 MPi (2013), Lada 2105 v regenerácii (1985), Lada 21044 1,9 MPi (1998), Škoda Felícia 1,3 SPi - 40kw (1996), 2 x Babetta 210 (1984,1988), Simson 70 ccm (1989), Zetor 4011 (1966)
-
Petr HC
Re: Kompresor - elektrika
Předpokládám, že ta "cievka" je stykač (výkonové relé). Pak je nutno zjistit :Cory píše:Zdravim, mam otazku ohladom kompresoru. Mam doma vyrobeny kompresor, ktory sa sklada z tlakovej nadoby, kompresora z nejakej chladnicky na mlieko z JZD a 3-fazoveho elektromotora. Dedo ho spravil tak, ze sa zapina klasickym vypinacom a po natlakovani odfukne, no motor bezi dalej.Kupil som si na UA za dobru cenu tlakovy spinac s redukcnym ventilom, avsak je len na jednu fázu.Moja otazka znie, ako zapojit ovladanie. Mam stojanovu vrtacku z roku 1949 a tam je to robene podobne-tlacidlami sa ovlada jedna faza, ktora pritiahne cievkou kontakty a spoji 3 fazy pokracujuce do motora. Mam este jednu taku "cievku" len neviem ci ju mozem zapojit podobne ako na tej vrtacke, alebo musi typ cievky nejak zodpovedat motoru-elektrika je zradna. Zajtra budem v garazi, tak vyhrabem tu "cievku" a pozriem sa na nu.
1) jestli trojice kontaktů pro spínání fází odpovídá výkonově (proudově) motoru kompresoru.
2) pro jaké napětí je cívka určena (velikost ve V i druh - ss ,st).
3) pokud je stykač jen jeden, zapomenout na ovládání tlačítky (musely by být dva)-jinak spínat např otočným spinačem.
4) má-li být vyhověno předpisům, a máš-li pětivodičovou síť a cívka toho stykače je určena pro 220 ev 230 V, lze ji přímo zapojit mezi fázi a vodič N nebo cívku 380 ev. 400 V zapojit mezi dvě fáze. Ochranným vodičem PEN nesmi téct za normálních okolností proud.
5) Máš-li k dispozici pouze 4 vodičovou síť lze přímo použít pouze cívku na 400 ev.380 V zapojenou mezi dvě fáze. V opačném případě musí být cívka napájena přes transformátor s primárem 400 ev.380V(zapojeným mezi fázemi) a sekundárem odpovídajícím napětí cívky (24, 48, 120, 220, 230 V). Navic musí jít o bezpečnostní oddělovací trafo.
Ostatní + schema, až zjistíš vše co se dá o motoru, tlakovém spinači , druhu sítě a stykači zjistit.
Re: Kompresor - elektrika
odpovede:
1) zistím, vykon motora je 0,8kW
2) zistím
3) ovladanie tlacidlami nebude, moja predstava je, ze to bude ovladat tlakovy spinac, na ktorom je aj vypinac ON/OFF
4) nemam 5-vodicovu siet (zatial, rekonstrukcia bude az neskor)
5) mam 4-vodičovu siet, len neviem aky mam stykac.
Vsetky informacie dodam zajtra. Zatial dakujem
1) zistím, vykon motora je 0,8kW
2) zistím
3) ovladanie tlacidlami nebude, moja predstava je, ze to bude ovladat tlakovy spinac, na ktorom je aj vypinac ON/OFF
4) nemam 5-vodicovu siet (zatial, rekonstrukcia bude az neskor)
5) mam 4-vodičovu siet, len neviem aky mam stykac.
Vsetky informacie dodam zajtra. Zatial dakujem
Lada 2171 Priora 1,6 MPi (2013), Lada 2105 v regenerácii (1985), Lada 21044 1,9 MPi (1998), Škoda Felícia 1,3 SPi - 40kw (1996), 2 x Babetta 210 (1984,1988), Simson 70 ccm (1989), Zetor 4011 (1966)
Re: Kompresor - elektrika
-stykač ma označenie K16E
-motor ma 0,8kw a na stitku je napisane: "380V Y / 220V (trojuholnik)
1) podla vsetkeho, stykac je stavany na 16A, na štítku je 2,2A/380V a 3,7/220V
2) v dokumentacii od stykaca je nakreslena schema ovladania striedavym aj jednosmernym prudom, na cievke v stykaci je napisane 220V 50Hz
-body 3-5 platia z predchadzajuceho prispevku
Moj laicky nazor: Ak sa da tento 3-fazovy motor prerobit na 1-fazovy (co sa podla stitku asi da), tak ziaden stykac nie je potrebny, kompresor bude zapinat a vypinat tlakovy spinac.
-motor ma 0,8kw a na stitku je napisane: "380V Y / 220V (trojuholnik)
1) podla vsetkeho, stykac je stavany na 16A, na štítku je 2,2A/380V a 3,7/220V
2) v dokumentacii od stykaca je nakreslena schema ovladania striedavym aj jednosmernym prudom, na cievke v stykaci je napisane 220V 50Hz
-body 3-5 platia z predchadzajuceho prispevku
Moj laicky nazor: Ak sa da tento 3-fazovy motor prerobit na 1-fazovy (co sa podla stitku asi da), tak ziaden stykac nie je potrebny, kompresor bude zapinat a vypinat tlakovy spinac.
Lada 2171 Priora 1,6 MPi (2013), Lada 2105 v regenerácii (1985), Lada 21044 1,9 MPi (1998), Škoda Felícia 1,3 SPi - 40kw (1996), 2 x Babetta 210 (1984,1988), Simson 70 ccm (1989), Zetor 4011 (1966)
Re: Kompresor - elektrika
Prakticky neda prerobit na 1F motor je vzdy 3f len raz je hviezda raz trojuholnik (preto tam su tie matuce 380/220V) ... Teoreticky da sa zapojit na 1f ale nerobil by som to stratis vykon tak ze sa ti nebude musiet rozbiehat kompresor pri poklese tlaku, navyse sa bude zohrievat viac motor (vykon 1/3 z 0,8kW +- autobus)
-
Petr HC
Re: Kompresor - elektrika
Vezmu to odzadu, poněvadž mě předběhl Dušan a má pravdu v tom, že to připojení sníží výkon na cca 1/3,ale co je horší - na 1/3 klesne i záběrový moment a to je u kompresoru (který má těžký rozběh) fatální problém. Pokud by motor byl značně předimenzovaný, stálo by to za zkoušku -musel by se zapojit do trojúhelníka (klemy ve svorkovnici svisle),na jednu stranu trojúhelníka připojit fázi a "nulák", na jednu ze zbývajících fází kondenzátor cca 50 mikrofaradů ( musí to být kondenzátor pro trvalé připojení střídavého napětí 230 V / 600V zkoušený.Cory píše:-stykač ma označenie K16E
-motor ma 0,8kw a na stitku je napisane: "380V Y / 220V (trojuholnik)
1) podla vsetkeho, stykac je stavany na 16A, na štítku je 2,2A/380V a 3,7/220V
2) v dokumentacii od stykaca je nakreslena schema ovladania striedavym aj jednosmernym prudom, na cievke v stykaci je napisane 220V 50Hz
-body 3-5 platia z predchadzajuceho prispevku
Moj laicky nazor: Ak sa da tento 3-fazovy motor prerobit na 1-fazovy (co sa podla stitku asi da), tak ziaden stykac nie je potrebny, kompresor bude zapinat a vypinat tlakovy spinac.
Pokud takto zapojený motor nebude spolehlivě rozbíhat kompresor, pak na toto řešení zapomeň.
Bod 5) a údaje ze stykače - je-li na cívce údaj 220 V 50Hz je to střídavý stykač a určitě by ho bylo možno zapojit mezi jednu fázi a vodič N/PEN -odporuje to však předpisům .Správně by bylo použít izolační oddělovací trafo 400/230 V a stykač napájet zjeho sekundáru.
Bod 4) nepadáv úvahu
Bod 3) je vyjasněn
Bod 2) pouze poznámka,že cívku nelze napájet ss napětím
Nod 1) nevím,kde jsi vzal těch 16A , ale proudově stykač určitě vyhoví, poněvadž motor bude odebírat cca 1,5 A,při rozběhu krátkodobě cca 10 A
Pokud spinač on/off na tlakovém spinači nerozepíná všechny 3fáze,měl by být na přívodu hlavní vypinač/jistič.
Nejspolehlivější řešení by ovšem bylo -přívod -vypinač/jistič řady Minia 10LPE3 a třífázový tlakový spinač od OEZ Letohrad z řady TSA http://www.oez.cz/file/132 a hotovo za cca 1000 Kč.
Naposledy upravil(a) Petr HC dne úte pro 27, 2011 21:36, celkem upraveno 3 x.
Re: Kompresor - elektrika
Dakujem za vyčerpavajuce odpovede. Ake by bolo riziko pri zapojeni cievky na L a PEN? Na privodnom kabli je klasicky vypinac, ktory rozpaja 3 fazy a vypina sa po kazdej praci. Stykac a tlakovy spinac by bol az za vypinacom. Asi bude najlepsie pouzit iny tlakovy spinac, ale snazim sa vyuzit to co mam, tak preto sa pytam 
Lada 2171 Priora 1,6 MPi (2013), Lada 2105 v regenerácii (1985), Lada 21044 1,9 MPi (1998), Škoda Felícia 1,3 SPi - 40kw (1996), 2 x Babetta 210 (1984,1988), Simson 70 ccm (1989), Zetor 4011 (1966)
Re: Kompresor - elektrika
S dovolením se do toho trošku vložím.
Stykač K16E -tři výkonové kontakty 16A, + pravděpodobně dva pomocné 2A ?
Cívku má správnou, takže ovládání tvým tlakovým spínačem nebude problém.
Zapojení: Jeden vývod ovládací cívky na žlutozelený PEN vodič, druhý vývod na jeden z vývodů tlakového spínače,
druhý vývod tlakového spínače na jednu z fází - připojit před stykačem.
Mezi stykač a vypínač by bylo opravdu dobré zařadit třífázový jistič. Nejlépe řekněme 4A/3P/C. (C je tvrdší charakteristika, tak unese i rozběhy do tlaku)
Obnáší to nějakých 200,- Kč navíc, a přece jen, kompresor se klepe, za riziko požáru to nestojí.
Jinak připojení čehokoli mezi L a PEN ve 4 vodičové soustavě není nic proti ničemu. to bychom si nemohli rozsvítit ani lampičku.
PEN znamená sdruženou funkci N-pracovní nuly a PE-ochranného vodiče.
Takže tak.
Stykač K16E -tři výkonové kontakty 16A, + pravděpodobně dva pomocné 2A ?
Cívku má správnou, takže ovládání tvým tlakovým spínačem nebude problém.
Zapojení: Jeden vývod ovládací cívky na žlutozelený PEN vodič, druhý vývod na jeden z vývodů tlakového spínače,
druhý vývod tlakového spínače na jednu z fází - připojit před stykačem.
Mezi stykač a vypínač by bylo opravdu dobré zařadit třífázový jistič. Nejlépe řekněme 4A/3P/C. (C je tvrdší charakteristika, tak unese i rozběhy do tlaku)
Obnáší to nějakých 200,- Kč navíc, a přece jen, kompresor se klepe, za riziko požáru to nestojí.
Jinak připojení čehokoli mezi L a PEN ve 4 vodičové soustavě není nic proti ničemu. to bychom si nemohli rozsvítit ani lampičku.
PEN znamená sdruženou funkci N-pracovní nuly a PE-ochranného vodiče.
Takže tak.
Lada ? - tím jezdit, není normální !
>2121- ? hniloba s velkou budoucností! Již vyvařená a bojeschopná.
>2121- ? hniloba s velkou budoucností! Již vyvařená a bojeschopná.
Re: Kompresor - elektrika
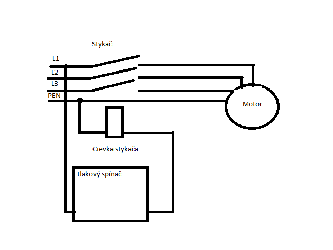
Dakujem Nemo, mohlo by to byt takto?
Lada 2171 Priora 1,6 MPi (2013), Lada 2105 v regenerácii (1985), Lada 21044 1,9 MPi (1998), Škoda Felícia 1,3 SPi - 40kw (1996), 2 x Babetta 210 (1984,1988), Simson 70 ccm (1989), Zetor 4011 (1966)
- Majo2103
- Příspěvky: 555
- Registrován: pát lis 16, 2007 19:17
- Bydliště: Ploské 79
- Kontaktovat uživatele:
Re: Kompresor - elektrika
alebo takto.....ten spinac a istic by mal byt ok a za tym to mozes zrobit aj tak....je to v podstate to iste 
Tešiť sa dá aj z maličkostí, napríklad z výplaty...
Najlepšie je nič neriešiť, veď ono sa to už poserie aj samo..
Nealkoholické pivo je ako porno v rádiu...
Najlepšie je nič neriešiť, veď ono sa to už poserie aj samo..
Nealkoholické pivo je ako porno v rádiu...
Re: Kompresor - elektrika
Cory, to je ale pěkné "šéma" ! Opravdu. Tak teraz už to len zrobiť. 
A nezapomeň, že ten žlutozelený drát je nejdůležitější!
Ten je tam, aby to NEZABÍJELO a taky, aby to trochu fungovalo. Ty černé jsou jen aby to fungovalo.
A nezapomeň, že ten žlutozelený drát je nejdůležitější!
Ten je tam, aby to NEZABÍJELO a taky, aby to trochu fungovalo. Ty černé jsou jen aby to fungovalo.
Lada ? - tím jezdit, není normální !
>2121- ? hniloba s velkou budoucností! Již vyvařená a bojeschopná.
>2121- ? hniloba s velkou budoucností! Již vyvařená a bojeschopná.
Re: Kompresor - elektrika
Tak super, uz len najst (kupit) nejaku krabicu na istic a stykač a namontovat to
Dakujem vsetkym, dal by som vam HELPy, keby sa dalo 
Lada 2171 Priora 1,6 MPi (2013), Lada 2105 v regenerácii (1985), Lada 21044 1,9 MPi (1998), Škoda Felícia 1,3 SPi - 40kw (1996), 2 x Babetta 210 (1984,1988), Simson 70 ccm (1989), Zetor 4011 (1966)
-
Petr HC
Re: Kompresor - elektrika
Tady máš pravdu podle bývalé normy ČSN 341010 . Nám ale ve fabrice nařídili z IBP zapojit stroje s pohyblivým přívodem - tuším, že to bylo podle ČSN 343500 tak, aby za žádných okolností netekl vodičem PEN proud. Už se přesně nepamatuji na důvody - možná to bylo proto , že se jednalo o prostředí s nebezpečím hořlavého prachu. Samozřejmě, že v domácích instalacích se to dělá tak, jak píšeš.Tolik pro vysvětlení proč jsem se "sichroval". Také proto,že staré normy jsem už pozapoměl a než se připravily EU (on je v tom asi bordel dodnes) tak jsem již silnoproud nedělal. A k té ceně z OEZ- TSA (třífázový) stojí 445 Kč a jistič cca 200 Kč, takže s tou cenou jsem to trochu přehnal.Nemo píše: ...Jinak připojení čehokoli mezi L a PEN ve 4 vodičové soustavě není nic proti ničemu. to bychom si nemohli rozsvítit ani lampičku.![]()
PEN znamená sdruženou funkci N-pracovní nuly a PE-ochranného vodiče.
Takže tak.
To Cory -přeji úspěšné a bezpečné "zbastlení".
Re: Kompresor - elektrika
Dakujem
Snad dopadne vsetko dobre
Lada 2171 Priora 1,6 MPi (2013), Lada 2105 v regenerácii (1985), Lada 21044 1,9 MPi (1998), Škoda Felícia 1,3 SPi - 40kw (1996), 2 x Babetta 210 (1984,1988), Simson 70 ccm (1989), Zetor 4011 (1966)
Re: Kompresor - elektrika
Schémátka "pracovat" budou ale jen za předpokladu že před nimi NENÍ zařazen CHRÁNIČ ! což je dnes pro venkovní zásuvky vyžadováno .
Chránič jevěc sice dobrá ale dokáže způsobit nemalé trable hlavně u starších zařízeních (zapojených pouze 4-drátově) s různými stykači , relé a trafy .
Takže pozor pokud je tam chránič tak vše zapojovat 5-ti drátově .
Chránič jevěc sice dobrá ale dokáže způsobit nemalé trable hlavně u starších zařízeních (zapojených pouze 4-drátově) s různými stykači , relé a trafy .
Takže pozor pokud je tam chránič tak vše zapojovat 5-ti drátově .
VAZ 2102 r.v.74 1984-1997 "Legenda"
VAZ 21043 r.v.90 1996-White Lady - nyní v GO. VAZ 21044 r.v.96 2007-(muzeum koroze)
VAZ 2106 r.v.78 2008-a dál...
VAZ 2105 r.v.87 12/2012-Rudý dělník
Nikdy neříkejte že to nejde,protože se v zápětí objeví někdo kdo neví že to nejde a udělá to!
VAZ 21043 r.v.90 1996-White Lady - nyní v GO. VAZ 21044 r.v.96 2007-(muzeum koroze)
VAZ 2106 r.v.78 2008-a dál...
VAZ 2105 r.v.87 12/2012-Rudý dělník
Nikdy neříkejte že to nejde,protože se v zápětí objeví někdo kdo neví že to nejde a udělá to!